Cable Termination Pack

A ready-to-install cable termination pack containing Schematic drawing, Stainless steel cable tags, PVC cable labels, and Ferrule core markers for a defined group of cables, enabling electricians to complete site terminations efficiently and correctly. Everything comes in easy to carry, weatherproof zip lock pack.

termination pack folder 2
screenshot 2026 04 07 at 12.19.17 pm

1. Printed Termination drawings

screenshot 2026 04 07 at 12.19.58 pm

2. Laser engraved Cable markers

screenshot 2026 04 07 at 12.21.39 pm

3. Plastic cable markers

screenshot 2026 04 07 at 12.22.36 pm

4. Core / Ferrule and Terminal marker

Equipment & Instrument Label

5. Equipment and Instrument Labels

screenshot 2026 04 07 at 12.26.37 pm

6. Traffolyte Labels for Equipment and Instrument, Danger/Warning signs, push button name plates, MCC bucket name plates and more.

termination scm

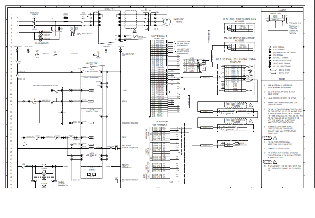
Printed schematic drawings

Schematic drawings will be printed and installed in weather proof sleeve. These drawings are the primary reference for the Sparky on the job and it tells them exactly where each cable cores are to be landed. The schematic drawings typically show:

  • Cable numbers
  • Origin and destination
  • Terminal numbers
  • Core numbers
  • Wiring connections
  • Panel, JB, motor, PLC, or field device details

Stainless Steel Cable Marker

Stainless steel cable markers are permanent cable identification tags, usually for harsher environments or where long-term durability is required. They are typically used for:

  • Mining and industrial areas
  • Harsh environment installations
  • Main cable identification at origin and destination
Stainless Steel Cable Marker
20260310 232032400 ios

PVC Cable Markers

PVC cable markers are usually used for internal, or secondary identification, depending on project standard. They are be used for:

  • Temporary or supplementary cable identification
  • Identification inside enclosures or cabinets
  • Cable labeling where stainless steel tags are not required
  • These tags would already be printed and included in the pack for the exact cables shown on the schematic.

Ferrule core markers

These are pre-printed core identification ferrule marker for each conductor/core of the cable. It is one of the biggest time savers because the ferrules are already printed and sorted rather than trying to print on site. It allows the electrician to:

  • Sleeve each core accurately reducing rework
  • Match each core to the drawing precisely
  • Terminate faster with increased productivity
  • Maintain consistent core numbering across the board
Core Marker
Equipment & Instrument Label

Equipment and Instrument Labels

Supplied within the Termination Pack, these labels help electricians quickly identify instruments and equipment from the schematic drawings and install them correctly on site.

  • Everything is packed together in one place
  • No searching through separate boxes or folders
  • Faster installation with less risk of error
  • Consistent, high-quality workmanship
  • Major time savings and reduced rework

Material: Stainless steel or Traffolyte

URGENTLY NEED OF CABLE TERMINATION PACK? Contact Us below

This field is required.
This field is required.